Daminɛ kuma
Hydraulique 90℃adapter ye yɔrɔ ye min bɛ jibolisiraw dɛmɛ ka wuli ni degere 90 ye. A bɛ ni sigilan sirilen ye walasa ka ji bɔli dabila. A dilannen don ni fɛn barikamaw ye, a bɛ se ka degunba kunbɛn. A bɛ baara kɛ iziniw kɔnɔ, forow la ani mobili kɔnɔ. A bɛ bɛn zana caman ma, a bɛ ji to a ka taa ɲɛ, a doncogo ka nɔgɔn wa a mago tɛ fixing caman na. A ka ɲi ka baara kɛ ka mɛn, o b’a to a bɛ kɛ sugandili hakilitigi ye yɔrɔw la, layiniw ka kan ka wuli cogo min na kosɛbɛ.



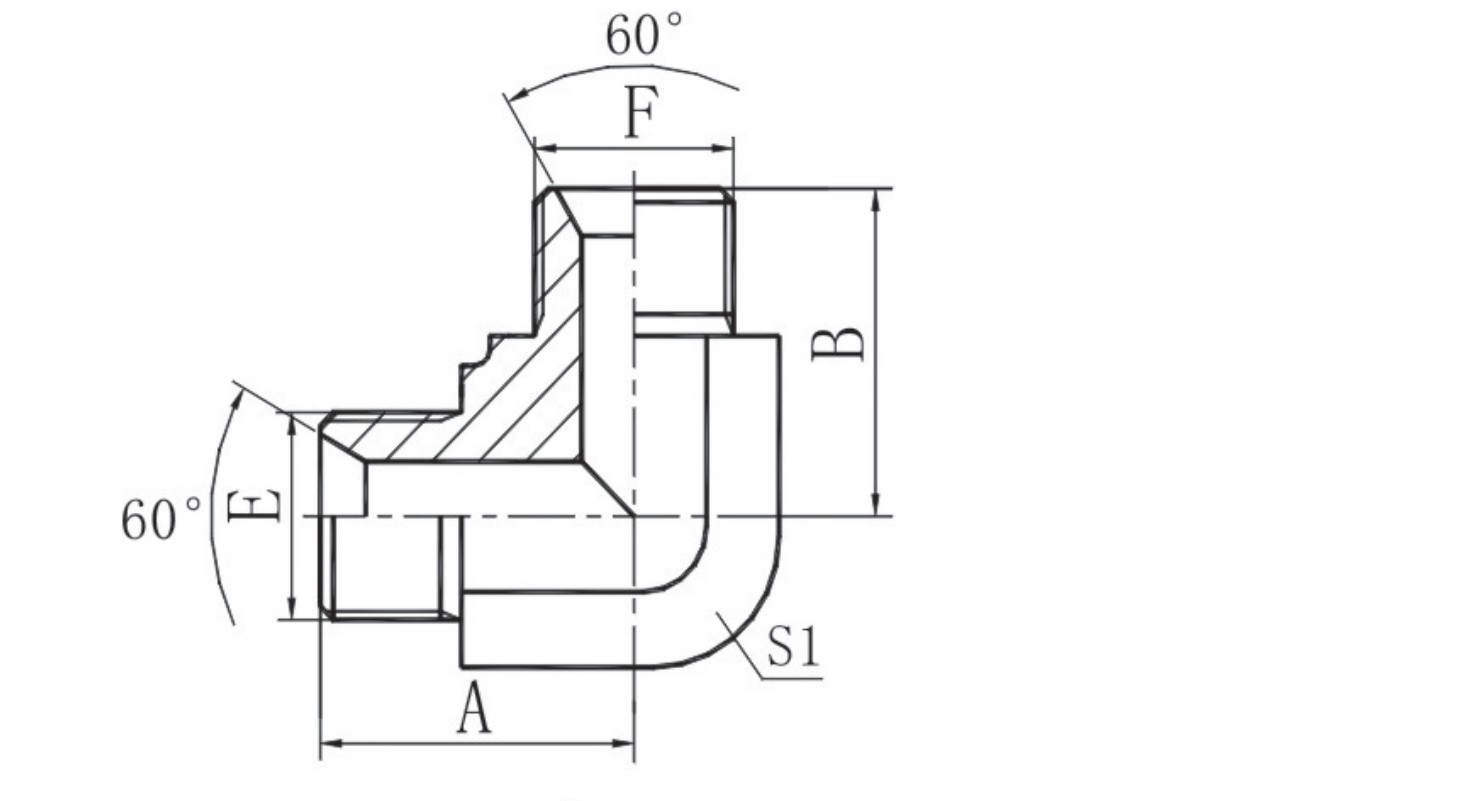
Ɲɛfɔliw .

|
Yɔrɔ no. |
GAARI |
Dimensions . |
|||
|
E |
F |
A |
B |
S1 |
|
|
1B9-02 |
G1/8*X28 |
G1/8"*X28 |
19.8 |
19.8 |
11 |
|
1B9-02-04 |
G1/8*X28 |
G1/4"*X19 |
23 |
25 |
14 |
|
1B9-04 |
G1/4*X19 |
G1/4"*X19 |
24.5 |
24.5 |
14 |
|
1B9-04-06 |
G1/4*X19 |
G3/8"*X19 |
26.5 |
27.5 |
16 |
|
1B9-06 |
G3/8*X19 |
G3/8"*X19 |
27.5 |
27.5 |
16 |
|
1B9-08 |
G1/2*X14 |
G1/2"*X14 |
34.5 |
34.5 |
22 |
|
1B9-08-12 |
G1/2*X14 |
G3/4"*X14 |
37.5 |
40 |
27 |
|
1B9-10 |
G5/6*X14 |
G5/8"*X14 |
35 |
35 |
22 |
|
1B9-10-12 |
G5/8*X14 |
G3/4"*X14 |
37.5 |
39 |
30 |
|
1B9-12 |
G3/4*X14 |
G3/4"*X14 |
40 |
40 |
27 |
|
1B9-12-16 |
G3/4*X14 |
G1"*X11 |
43.5 |
46 |
33 |
|
1B9-16 |
G1"*X11 |
G1"*X11 |
46 |
46 |
33 |
|
1B9-16-20 |
G1"*X11 |
G1,1/4"*X11 |
50.5 |
50.5 |
41 |
|
1B9-20 |
G1,1/4"*X11 |
G1,1/4"*X11 |
50.5 |
50.5 |
41 |
|
1B9-20-24 |
G1,1/4"*X11 |
G1,1/2"*X11 |
54.5 |
57.5 |
48 |
|
1B9-24 |
G1,1/2"*X11 |
G1,1/2"*X11 |
57.5 |
57.5 |
48 |
|
1B9-32 |
G2"*X11 |
G2"*X11 |
68 |
68 |
63 |
Paramɛtiriw/Tekniki kunnafoniw .
|
Yɛrɛyɛrɛ |
Zhejiang, Sinuwa jamana na . |
Laseli don . |
Negotiable . |
|
Seereyaw . |
GB/T19001-2016 IDT ISO9001:2015 |
Packing . |
Export Standard . |
|
Minɛ |
Karɔbɔni nɛgɛ . |
garanti . |
1 san . |
|
Sarali waati . |
TT . |
MOQ . |
2000 |
|
Cogo |
Kura |
Ɲɛ |
Zɛnki finman, zinki kulɛri . |
Kompani ko la .












Nafaw .
A ka ɲi kosɛbɛ .
An ka jɛkulu setigi bɛ sariyabaju caman sɔrɔ.An bɛ tugu jogoɲini gɛlɛnw kɔ ani ka baarakɛlaw ka seereyaw minɛ.
10+ san caman ka baara
Kabini san 2011, an ye baara kɛ kiliyanw ye 40+ jamanaw kɔnɔ, i n’a fɔ USA, Alimanjamana, Ɔsitarali, ani dɔ wɛrɛw.a dalen bɛ fɛnw na minnu bɛ se ka da u kan ani baara ɲumanw.
A ka ca ni fɛn bɛɛ ye .
4 Fɛn minnu bɛ kɛ ka fɛnw dilan (hydraulique fittings, ferrules, adaptateurs, ani nilon tube fittings).over 100+ suguya minnu bɛ se ka mago wɛrɛw ɲɛnabɔ.
sɔngɔ gɛlɛnw .
An bɛ sɔngɔw dilan minnu bɛ se ka ɲɔgɔn sɔrɔ, k’a sɔrɔ an ma jogo saraka.Aw dalen bɛ diɲɛ fan bɛɛ la walasa ka bɛnkan lakikaw sɔrɔ ani ka bonya sabatilen sɔrɔ san 10 kɔnɔ.
Kunnafoni-cimago-Baara fɔlɔ .
Aw ka wasa ye an ka fɔlɔ ye.jaabi teliyalenw ani furaw ko o ko o ko la.
Yɔrɔ min ka ɲi .
Hangzhou kɛrɛfɛ, ni ci nɔgɔya ye ani logistique ka taa teliya la.

FAQ .
J: Mun na an bɛ an ta?
A: An ye baara kɛ ni Hydrauliques ye kabini san 10. An ka fɛn dilannenw ka ɲi, u bɛ na ni 18- kalo garanti ye, wa an bɛ teliya. An bɛ dɛmɛ fana ka musakaw bɔ, ani an ka after{5}}feere baara tɛ degun sɔrɔ.
J: Anw ye izini ye wa walima an ye jagokɛyɔrɔ ye?
A: Anw ye izini fɔlɔ ye min bɛ ji-yɔrɔw dilan. An y'an sinsin u dilanni n'u ɲɛnabɔli kan kabini san 10.
J: Waati joli bɛ se ka di?
A: Ni fɛnw bɛ an bolo stock la, a ka c’a la, a bɛ tile 7-15 ta. Ni o tɛ, tile 30-45-o bɛ bɔ i ka komandi hakɛ la.
J: Ka wari sara cogo di?
A: Aw bɛ 30% sara ni aw ye komandi dafa. Aw bɛ 70% tɔ sara an kɛlen kɔ ka Lading ka sɛbɛn dɔ ci aw ma.
J: An bɛ se ka samplew sɔrɔ wa? Yala u ye hɔrɔnw ye wa?
A: An ka sisan fɛnw na, an bɛ se ka sɛgɛsɛgɛli kɛ fu 2 kan walasa ka sɛgɛsɛgɛli kɛ. Nka i ka kan ka wari sara ka ɲɛsin fɛnw cicogo ma. Ni aw bɛ fɛnw labɛn, aw bɛ kuma an fɛ walasa ka baara kɛ ni misali labɛn ye.
J: Ni gɛlɛya dɔ bɛ yen min bɛ se ka kɛ ka ɲɛ ni baara bɛ kɛ ni a ye, o bɛ kɛ cogo di?
A: An bɛ jogo ɲuman garanti kalo 12 kɔnɔ (ka bɔ jiginni don na). Gɛlɛyaw bɛɛ minnu tɛ sɔrɔ mɔgɔw fɛ, olu bɛɛ bɛ dafa.
J: An bɛ se ka komandi fitinin min kɛ, o ye mun ye?
A: Ka ɲɛsin fɛnw ma minnu bɛ sɔrɔ, i bɛ se ka 1 dɔrɔn san. For out-of-Stock products, an bɛna komandi fitinin dafa ka da fɛnw ɲɛfɔli kan.
J: I bɛ se ka fɛnw dilan ka bɔ jaw la wa?
A: Ɔwɔ, an bɛ se. Nka an mago bɛ fɛɛrɛko wajibiyalenw ni muɲuli sariyaw jɛlenw na.
J: I ka after{0}}feere baara ye mun ye?
A: An bɛ logistikiw nɔfɛtaama sira bɛɛ fɛ. An bɛ i ka fɛnw bɛ yɔrɔ min na, an b’i kunnafoni, k’a lajɛ n’i nisɔndiyalen don i sɔrɔlen kɔfɛ.
J: I bɛ fɛn dilannenw cogoya lajɛ cogo di?
A: An bɛ ni sɛgɛsɛgɛlikɛminɛnw ye minnu bɛ se ka kɛ baarakɛlaw ye: kɔgɔjida la sɛgɛsɛgɛlikɛlanw, tension machines, hardness testers, etc. An bɛ baara kɛ n’u ye walasa ka a dɔn ko furaw ka ɲi.
J: I bɛ OEM baara kɛ wa?
A: Ɔwɔ, an bɛ o kɛ. Aw ye anw ɲininka walasa ka kunnafoni wɛrɛw sɔrɔ.
J: I bɛ baara kɛ ni pake sugu jumɛn ye?
A: Sisan yɛrɛ, an bɛ baara kɛ ni kartɔnw ye. Nka aw ka aw magow fɔ an ye, an bɛna a ɲini ka u kunbɛn.
J: N bɛna sɔngɔ sɔrɔ tuma jumɛn?
A: An ka teli ka quotation ci sanga 8 kɔnɔ an ye i ka ɲininkali sɔrɔ sɔngɔw kan.
Tags hot .: Hydraulique 90 degré adaptateur, China Hydraulique 90 degré adaptateur℃dilannikɛlaw, izini
